■ Finger-type
: Layout 설계할 때 Gate를 병렬로 여러개로 나누는 것


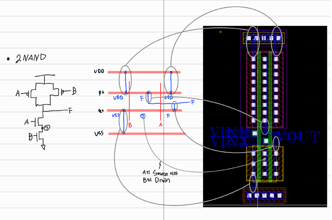
1. 2NAND Gate Layout


- 앞서 2NAND Gate Schematic에서 pMOS Width = 2.53u 인 것을 알아냈기 때문에 위처럼 세팅을 한다.
- 위 세팅은 MOSFET 하나가 아니라 두 개를 이어붙인 세팅이다. (pMOS 하나일 때 Total Width = 2.53u)
- 2개의 MOSFET을 2Finger 세팅 하지 않으면 크기가 커져 공통 단자를 묶어 2Finger로 세팅한다.

Stick Diagram을 그리면 Layout을 쉽게 그릴 수 있다.
(하지만 회로가 점점 복잡해지면 Stick Diagram이 오히려 어려워질 수 있어 그때는 Schematic만 보고 그리는 것이 좋다.)

2. 2NOR Gate Layout



- pMOS Finger Width : 3.99u, Total Width : 7.98u
- nMOS Finger Width : 1u, Total Width : 2u
3. 3NAND Gate Layout



- pMOS Finger Width : 2.31u, Total Width : 6.93u
- nMOS Finger Width : 1u, Total Width : 3u
4. 3NOR Layout



- pMOS Finger Width : 5u, Total Width : 15u
- nMOS Finger Width : 1u, Total Width : 3u
Made By Minseok KIM
'Full Custom IC > Study' 카테고리의 다른 글
| [FullCustomIC] Cadence Virtuoso_Switch, 2x1 MUX(Switch) (1) | 2024.03.24 |
|---|---|
| [FullCustomIC] Cadence Virtuoso_4NAND, 4NOR, 2x1 MUX(Logic) (0) | 2024.03.23 |
| [FullCustomIC] Cadence Virtuoso_Layout 기초, NOT Gate Layout (0) | 2024.03.12 |
| [FullCustomIC] Cadence Virtuoso_3NAND, 3NOR (0) | 2024.03.12 |
| [FullCustomIC] Cadence Virtuoso_NOT, 2NAND, 2NOR (0) | 2024.03.12 |
Let's Be Happy!
도움이 되었으면 좋겠어요 :)